litauesch
|
Model Zuel |
Sg - dtm06u (c, m) 2 - x |
Sg - dtm06u (c, m) 2 - tx |
Sg - dtm03u (c, m) 2 - x |
Sg - dtm03u (c, m) 2 - tx |
Sg - dtm02u (c) 2 - x |
Sg - dtm02u (c) 2 - tx |
|
Thermesch Modul |
||||||
|
Bild Sensor |
Onofhängeg Vox Mikrobolometer |
|||||
|
Pixelintervall |
12μm |
|||||
|
Äntwert Wuelband |
8μm bis de 14μm |
|||||
|
Max. Resungsioun |
640 × 512 |
384 × 228 |
256 × 192 |
|||
|
Frame Taux (FPS) |
50 |
25 |
50 |
25 |
50 |
25 |
|
Lëns (Fokaler Längt) |
9.1 / 13/19 / 25mm |
9.1 / 13mm |
4/7 / 10mm |
|||
|
Fënnerfung |
F1.0 / F1.0 / F1.1 / F1.2 |
F1.0 |
F1.0 |
|||
|
Feld vun der Vue (H × V) |
45.9 ° × 36,9 ° / 32,9 ° × 26.6 ° / 22.6 ° × 18.2 ° / 17.3 ° × 13,8 ° |
28.7 ° × 21.7 ° / 20.1 ° × 15.1 ° |
46.8 ° × 34.1 ° / 24.6 ° × 18.5 ° / 16,5 ° |
|||
|
Temp Messung |
N / a |
Ënnerstëtzung Suppoll |
N / a |
Ënnerstëtzung Suppoll |
N / a |
Ënnerstëtzung Suppoll |
|
Temperaturmiessung |
||||||
|
Temperaturbereich |
Lt Mode: - 20 ° C ~ + 150 ° C; HT MODE: 0 ° C ~ + 550 ° C |
|||||
|
Messe Feeler |
De Max (± 2 ° C, ± 2%); Bedreiwen Tempp: - 20 ° C ~ + 50 ° C |
|||||
|
Bild Display |
||||||
|
Bild Upassung |
Hellegkeet, kontrast, schaarf |
|||||
|
Detail Erweiderung |
Ënnerstëtzung Suppoll |
|||||
|
Gewënn |
Auto / Handbuch |
|||||
|
Geräischer Reduktioun |
2D / 3D |
|||||
|
Fle |
Ënnerstëtzung Suppoll |
|||||
|
Spig méi |
Ënnerstëtzung Suppoll |
|||||
|
Pseudo - Faarf |
18 Paletten vu Faarf passtbar |
|||||
|
Crosshair |
Affichage / verschwannen / verstoppen |
|||||
|
Bildveraarbechtung |
Näre Korrektur, digital Geräischer Filter, Dde |
|||||
|
Videospiller |
||||||
|
Video Erausfuerderung |
UVC / BT.656 / MIPI / LVDS / CVBs |
UVC / CVBs |
||||
|
Expansioun Interface |
USB / MIPI / CVBS / Typ - C |
USB / CVBS / Typ - c |
||||
|
Serien Kommunikatioun |
Uart Serial Port |
|||||
|
Generol |
||||||
|
Kraaftbeldscht |
DC 4,5 ~ 5.5V; CVBS: DC 4.5-20V |
|||||
|
Stroumverbrauch |
≤0.7w@25 CBC |
≤0.7w@25 CBC |
≤0.55w@25 CBC |
|||
|
Aarbechter Temperatur |
- 40 ° C ~ 70 ° C |
|||||
|
Späicheren Temperatur |
- 40 ° C ~ 80 ° C |
|||||
|
Schaffen Fiichtegkeet |
≤95% rh (net - condensing) |
|||||
|
Foto |
6.06G zoufälleg, 3 - Achs, Sinewewer Vibration |
|||||
|
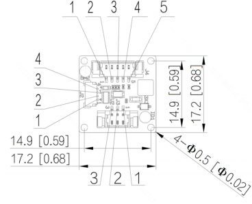
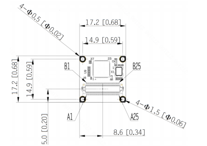
Dimensioun |
17.3mm * 17.3mm * 10.8mm (ouni Lens Spacer Rank PLACK PLATE) |
|||||
|
Gewun Du |
5g (ouni Lens Spacer Ring Ring Schwanzplack) |
|||||




Loosst Äre Message

